[ BRK-12-SWG ] Stage Ninja® 180° Swing Bracket for Performance Series Reels
-
BRK-12-SWG

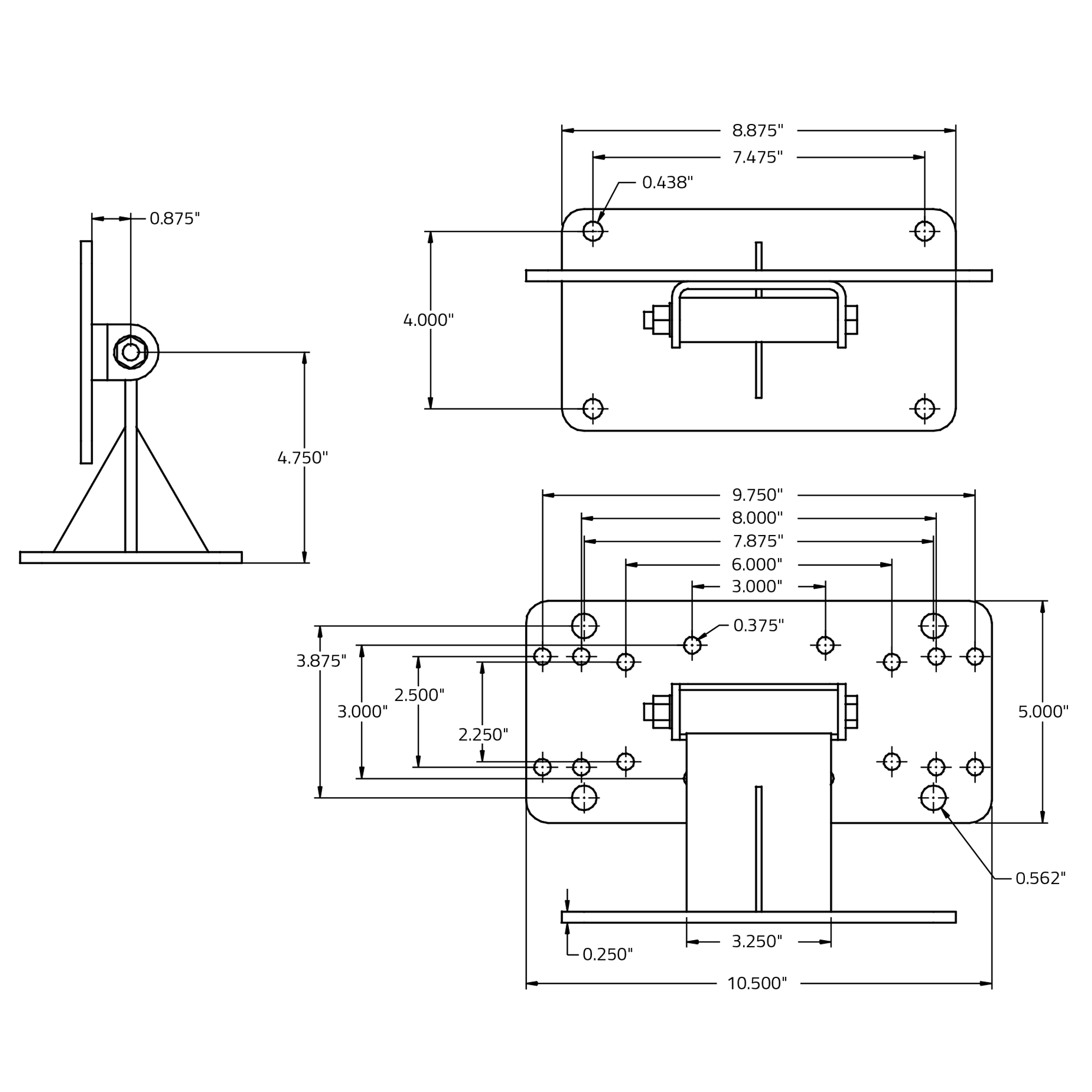
Click PDF Icon for Spec Sheet Use if cables are pulled at more than 45°. The Wall Mount Swing Bracket pivots approximately 180° allowing more flexibilty to deploy cable. Compatible with XLR-50-CT, 4XLR-35-CT, DMX-50-CT, HDSDI-50-CT, CAT6-50-S, CAT6-50-CT, 2CAT6-30-S, 2CAT6-30-CT & PWRD-45-S. NOT for overhead use (select BRK-12-PVT for overhead). Mount on wall, vertical surface of cabinets, shelving/racking, etc.
Protects cable life if pulled at more than 45°
Swing bracket pivots a maximum of 180°
Durable powder-coated finish
1-Year Limited Warranty








