-
CAT6-50-S

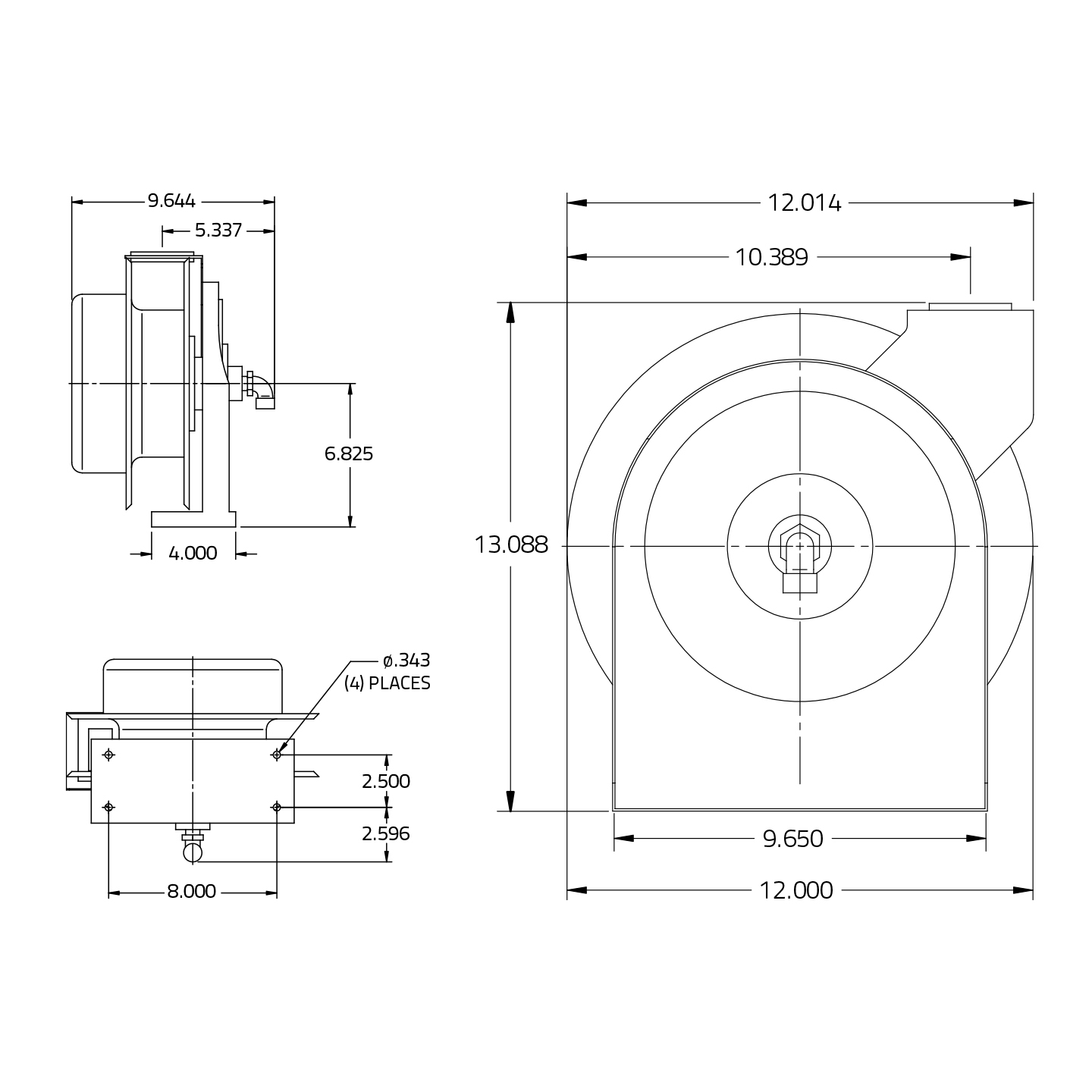
Click PDF Icon for Spec Sheet Premium 24 AWG hi-flex tactical shielded CAT6 cable with industrial RJ45 connectors in an industrial powder coated steel housing with integrated mounting base. Standard model is locking and releasing. The retractable end is 50 feet and the static end is 3 feet, both with industrial RJ45 connectors (Neutrik Ethercon connectors available). (*Available as Constant Tension (non-locking) Model CAT6-50-PS
Premium 24 AWG hi-flex tactical shielded CAT6 cable
Industrial RJ45 connectors
50 foot retractable male end; 3 foot static male end
Locking and Releasing with feed arm positioned for reel to be ceiling mounted with cable pulling down*
Durable powder coated industrial steel housing with integrated mounting base
Industrial spring motor for strong retraction with a 10,000 cycle rating**
Reel dimensions are 13″H x 12″D x 9.5″W
*Custom options available like constant tension, other feed arm configurations (for attic or catwalk floor, crane or camera booms, AV carts, etc.), and †other connectors like Ethercon. Call to discuss.
** Cycle = 1 full deployment and retraction







